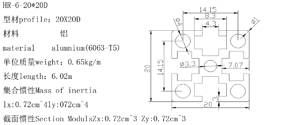
2020D工業鋁型材
-
信息名稱:
2020D工業鋁型材
-
所
在
地:
江蘇省 蘇州市
-
更新時間:
2017-03-23
-
楊秀鳳
女士
-
電話:
0512-63326292
手機:
18951128118
2020D工業鋁型材 鋁合金型材 鋁框 鋁材 自動設備框架 20鋁型材

-
聯係人:
楊秀鳳
女士
-
電話:
0512-63326292
-
傳
真:
0512-63326292
-
手機:
18951128118
-
地址:
江蘇省
蘇州市 吳江區菀坪鎮同心西路8-8號
- 03
- 聯係cnal客服:
-
致電:
0371-63388900
馬上啟動您的快速採購通道!