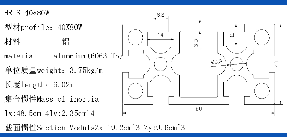
鋁型材4080W鋁合金型材 歐標
-
信息名稱:
鋁型材4080W鋁合金型材 歐標
-
所
在
地:
江蘇省 蘇州市
-
更新時間:
2017-03-25
-
楊秀鳳
女士
-
電話:
0512-63326292
手機:
18951128118
鋁型材4080W鋁合金型材鋁合金方管型材歐標導軌工業框架機箱

-
聯係人:
楊秀鳳
女士
-
電話:
0512-63326292
-
傳
真:
0512-63326292
-
手機:
18951128118
-
地址:
江蘇省
蘇州市 吳江區菀坪鎮同心西路8-8號
- 03
- 聯係cnal客服:
-
致電:
0371-63388900
馬上啟動您的快速採購通道!