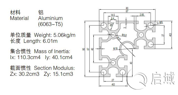
| «¬§÷³f¸¹¡GQY-8-8840GZ(8840GZ°ê¼Ð«¬§÷¡A¼Ñ8«Y¦C¡^À³¥Î»¡©ú¡G ¾A¥Î©ó¶W¤jÀ³¤O¤Î±j«×ªº®Ø¬[¡Bµ²ºc¡A¼sªxÀ³¥Î©ó¨T¨®¡B¤u¼t¦Û°Ê¤Æ¡B¤u·~¼Ò¶ôµ²ºcµ¥¯S®í»â°ì¡A¬O¤u·~¤j«¬®Ø¬[À³¥Î¤ñ¸û¼sªxªº«¬§÷¤§¤@¡C°t®MÁ³®êÁ³¥À¡G¥¦³q±`±Ä¥Î°ê¼Ð40-14F«Y¦CM8T«¬Á³®ê»PM8ªkÄõÁ³¥À¤º³¡³s±µ¡A©Î¥Î°ê¼Ð40-14F«Y¦C¥|¤è»P¤º¤»¨¤Á³®ê°t®M¨Ï¥Î¡A¦p¨ü¤O±j«×¤j¥i±Ä¥Î°ê¼Ð40-14F«Y¦C·Æ¶ôÁ³¥À»P¤º¤»¨¤Á³®ê°t®M¨Ï¥Î¡A°í©T¥i¾aµ²¹ê¡C |



¥q²¤¶
¤W®ü±Ò°ìª÷Äݨî«~¦³¤½¥q¬O¤@®a¤u·~¾T«¬§÷¤Î°t¥óªº±M·~¥Í²£°Ó¡C²£«~¼sªxÀ³¥Î©ó¥Í²£¡B¥Í¬¡ªº¦UÓ»â°ì¡A¤w¬°²³¦h°ê¤º¥~¥ø·~¡B¬ì¬ã°|©Ò¡B¦U¤j°|®Õ´£¨Ñ¹Lªº²£«~¤Î§¹µ½ªºªA°È¡C±q¼Ò¨ã¶}µo³]p¡A¨ì¤u·~¾T«¬§÷À½À£¥Í²£¡A¤Î«áÄò¾T«¬§÷ªº²`¥[¤u¡A§Ú֦̾³±M·~ªº¾P°â»P§Þ³N¹Î¶¤¡A¬°«È¤á´£¨Ñ¤@±øÀsªA°È¡C
§Ú̪º©v¦®¡G¦X²zªº»ù®æÅé«Y¡B¥i¾aªº²£«~½è¶q¡B§Ö±¶ªº¥æ³f«OÃÒ¡B§¹µ½ªº°â«áªA°È¬°«È¤á¶q¨©w¨î¡C
²£«~¼sªxÀ³¥Î©ó¤u§@»O¡A¿é°e³]³Æ¡A¾÷±ñ¨¾Å@Äæ¡A¥ú¥ñ¦w¸Ë¤ä¬[¡A³]³Æ®Ø¬[¡B¾÷±ñ®Ø¬[¡B®i¬[µ²ºc¡B¾÷¾¹¥~¸n¡B¾÷¾¹«OÅ@¸Ë¸m¡B¨¾Å@«Ì»Ù¡B¦w¥þ³òÄæÅ@Äæ¡B²£«~¾Þ§@»Oµ¥¡B¦Û°Ê¤Æ¬y¤ô¥Í²£½u©M¼Ò¶ô¤Æ¥Í²£«Y²Îµ¥¦UÓ»â°ì¡C
¸Ô±¡«t¸ß¡G 13816329895 ÄÁ¸g²z
¤½¥q¦a§}¡G¤W®ü¥«ªQ¦¿°Ï¥_ªQ¤½¸ô6009¸¹
·L«HÃöª`¤½¥q¤½²³¸¹ ¡Gqiyujinshu
¤½¥q©xºô¡Ghttp://www.qiyu999.com/
ªüùؤڤڡGhttps://shop1384593712724.1688.com/
«t¸ß¡G³ü°Ñ®Ã³ü³°°Ñ¶L¨h®Ã¨h¥î